| |
|
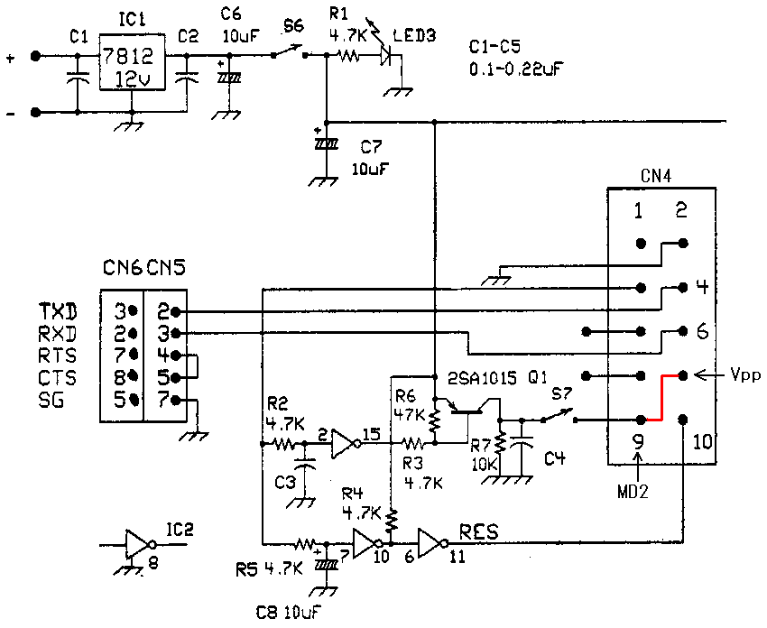
秋月通商のH8マザーボードは H8/3048をターゲットに作られているので、 H8/3048と H8/3052の違いを把握するところから始める必要があります。 書き込みに関係するのは、CPU基板の コネクタ4の 8ピン( Vpp )と 9ピン( MD2 )です。 マザーボードでは、この2つの信号線がコネクタ部分のパターンで接続されています。 ( 下の回路図 ( 元々のマザーの回路図の一部 ) の 赤い線の部分 ) AE-3048の場合は、このままで良いのですが、AE-3052Aの場合は書き込み時 Vpp は +5[V] 、MD2 は GNDに落とす必要があるので、このパターンを、まず 切り離す必要があります。 次に、S7部分の配線を工夫して、Vpp と MD2 に それぞれ独立して ノーマル時、及び書き込み時に適切な電圧が供給されるようにする必要があります。 この2つの端子に加える電圧は、以下の表のようになります。 |
| CN4 端子 | AE-3048 | AE-3052A | ||
| Normal | Write | Normal | Write | |
| Vpp ( 8 Pin) | NC | +12V | GND | +5V |
| MD2 ( 9 Pin) | NC | +12V | NC | GND |
私は、この端子に加える信号の切り換えを、 2回路2接点のトグルスイッチを、3個使い実現しました。 多極切り換えのスイッチが手元にあればもう少しすっきり出来たのですが...。 このスイッチの配線を書いた回路図を書いていたのですが、 整理が悪いもので見つかりません。 (^^;) 要は、上の表の接続状態を実現できればよいのです。 マザーの改造を行われる方は工夫してみて下さい。 |
|
